全國服務熱線:
139-2897-4276
聯系人:李小姐
手機:13928974276
電話:020-34329972
郵箱:LXL@DY-ELE.COM
地址:廣州市番禺區番禺大道北555號天安總部中心14號樓1007室
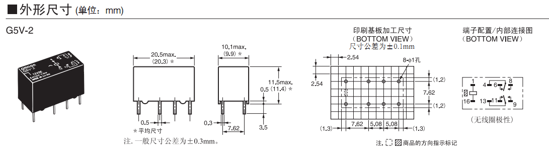
G5V-2 微型繼電器
通用型低成本、2極信號用繼電器
通用的DIL端子排列。
寬范圍接點切換領域10μA~2A。
塑料密封型,橫桿雙接點為標準。高耐環境性能且高可靠性。
線圈接點間、同極接點間都是FCC parts68標準。(1,500V、10×160μs)
耐高電壓、線圈接點間AC1,000V,同極接點間AC750V。
取得UL/CSA認證。
版權所有©2017 廣州鼎悅電子科技有限公司
備案號:粵ICP備14034895號
服務熱線:4001386882/13902305242
E-MAIL: lxl@dy-ele.com
聯系人: 李小姐
地址:廣州市番禺區番禺大道北555號天安總部中心14號樓1007室

微信公眾號

微信二維碼